深圳市兴明珠五金塑胶有限公司
产品展示
联系方式
深圳市兴明珠五金塑胶有限公司
联系人:袁先生
手机:13510900986
Q Q :1129133165
邮箱:1129133165@qq.com
网址:www.xmzwjsj.com
地址:龙岗区坪地街道四方埔锦绣工业区
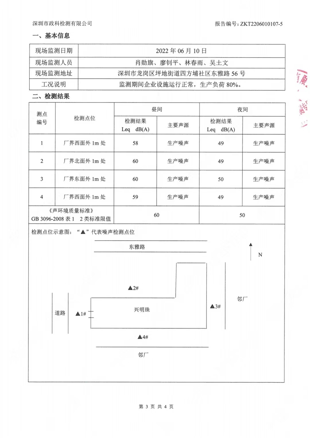
检测报告
当前位置:首页 > 检测报告
  • 作者:
  • 来源:
  • 日期: 2022-11-17
  • 浏览次数: 370




 

Copyright © 深圳市兴明珠五金塑胶有限公司

本站部分图文来源网络,如有侵权问题请通知我们处理!